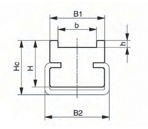
性能与特点
链条导轨也叫链条导向件,是一种静压导轨, 用于支撑和导向链条,减少链条磨擦,降低噪音,增强链条使用寿命。
高耐磨、耐温、精密、稳固、无声、环保等高精度的链条导向。
采用840万超高分子量耐磨,耐温工程塑料“UPE’材料,具有经济,无污染特性。
磨损小.摩擦阻力小.自行润滑. (不需任何润滑油),具有抗冲击性.使用温度范围-200 +80C. 具有减震作用在潮湿环境下不易受潮,具有高的抗化学性能.有抗腐蚀性。
通过欧盟EU和美国FDA认证,可直接和食品接触使用,适合食品卫生要求。
应用场合
印刷行业机械制造,食品包装机械,医疗器械,车辆制造及运输工业,纺织工业,自动化领域,非标自动化流水线、输送线,贴窗机,激光切割机械等行业。

