巅峰国际

内页
当前位置: 首 页 > 产品展示 > 平面链条导向条 > 平面滑动链条导向条

联系巅峰国际 Contact Us

巅峰国际官网-追求健康,你我一起成长

手 机:0769-87006592

邮 箱:

电 话:13828897606

网 址:weixiutv.com

地 址:东莞市黄江镇黄江村668工业区北一街2号

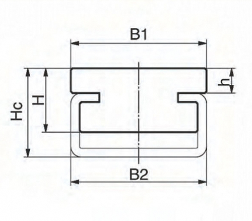
平面滑动链条导向条

  • 所属分类:平面链条导向条
  • 浏览次数:0
  • 发布时间:2023-01-06 00:00:00
  • 产品概述
详细介绍

性能与特点

链条导轨也叫链条导向件,是一种静压导轨, 用于支撑和导向链条,减少链条磨擦,降低噪音,增强链条使用寿命。

高耐磨、耐温、精密、稳固、无声、环保等高精度的链条导向。

采用840万超高分子量耐磨,耐温工程塑料“UPE’材料,具有经济,无污染特性。

磨损小.摩擦阻力小.自行润滑. (不需任何润滑油),具有抗冲击性.使用温度范围-200 +80C. 具有减震作用在潮湿环境下不易受潮,具有高的抗化学性能.有抗腐蚀性。

通过欧盟EU和美国FDA认证,可直接和食品接触使用,适合食品卫生要求。


应用场合

印刷行业机械制造,食品包装机械,医疗器械,车辆制造及运输工业,纺织工业,自动化领域,非标自动化流水线、输送线,贴窗机,激光切割机械等行业。
平面滑动链条导向条

02.jpg03.jpg


标签

上一篇: 链条导向条 2023-01-06
下一篇: 圆环链条导向件 2023-01-06
巅峰国际官网-追求健康,你我一起成长

电话:0769-87006592         网址:weixiutv.com

生产基地:东莞市黄江镇黄江村668工业区北一街2号

扫描手机站

扫描手机站

链条导轨

扫一扫加微信

var _hmt = _hmt || []; (function() { var hm = document.createElement("script"); hm.src = "https://hm.baidu.com/hm.js?25a8b6ddd6dc7b9a90aeb1f51e218aa6"; var s = document.getElementsByTagName("script")[0]; s.parentNode.insertBefore(hm, s); })(); 巅峰国际-科技赋能场景,让娱乐更有趣。 巅峰国际-梦想照进现实,努力成就未来! 巅峰国际官网-为热爱加冕,与强者同行 东升国际官网-追求健康,你我一起成长 东升国际官网-追求健康,你我一起成长